ASCON TECNOLOGIC KM1E

Регулятор (температурный контроллер) ASCON TECNOLOGIC KM1E разработан, чтобы удовлетворить специальные потребности винной промышленности для термообработки вина и вызревания вина.

Технические характеристики KM1E:

  • Размеры регулятора 48 x 48 мм (1/16 DIN), 48 мм глубиной + 14 мм (клеммная колодка);
  • IP65 степень защиты передней панели с прокладкой (аксессуар);
  • Двойной светодиодный дисплей:
  • Основной дисплей (верхний индикатор): 4 цифры, 3 динамических цвета: красный, зеленый и янтарный, высота 15.5 мм;
  • Дополнительный дисплей (нижний индикатор): 4 цифры, зеленый цвет, высота 7 мм;
  • КРАСНЫЙ: регулятор работает в режиме нагрева (реле OUT2);
  • ЗЕЛЕНЫЙ: регулятор работает в режиме охлаждения (реле OUT3);
  • ЯНТАРНЫЙ: регулятор работает в режиме нагрева и охлаждения (нагревание/охлаждение).
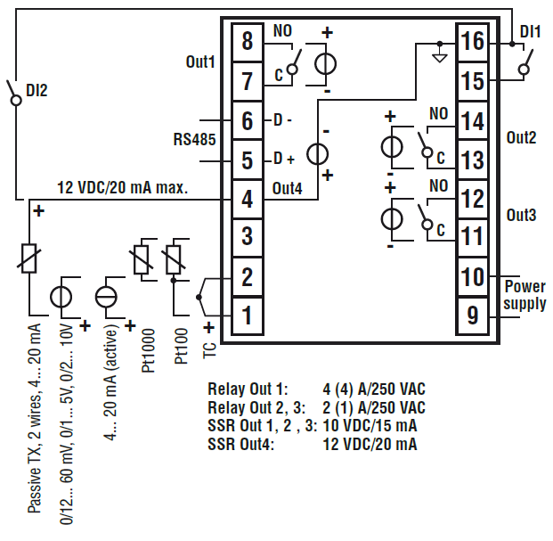
  • 1 вход для температурных датчиков: термосопротивления Pt 100 (2-х или 3-х проводная схема) и PT1000 (2-х проводное подключение); Термопары J, K, S, R, T или нормализованные сигналы 0/4... 20 мА, 0/1... 5 В, 0/2... 10 В;
  • Точность измеренния : ± 0.5%, термопара S ± 1%;
  • Питание: 24 В~/= (± 10%) или 100...240 В~ (-15% / + 10%, частота: 50/60 ГЦ);
  • Потребление электроэнергии: максимально 7 ВА;
  • OUT1: Реле SPST-NO 4A, 240 В~ или транзисторный выход для управления твердотельными реле до 13 В= макс. 1mA, 10.5 В min 15 мА ± 10%;
  • OUT2: реле SPST-NO 4A, 240 В~;
  • OUT3: реле SPST-NO 4A, 240 В~;
  • Связь:изолированный порт TTL в всех моделях для ключа A01; RS 485, протокол Modbus RTU и JBUS отдельные модели; Ethernet TCP/IP (Modbus TCP) при использовании с дополнительным аксессуаром AET1;
  • Режимы управления: ON/OFF (симметричный или асимметричный) настраиваемый, ПИД с автонастройкой, компенсацией перерегулирования и защитой от насыщения интегральной составляющей.

ООО «КоСПА» изготавливает шкафы управления на базе регуляторов и приборов ASCON TECNOLOGIC исходя из потребностей заказчиков для различных технологических процессов: приготовление напитков, молочное производство, кондитерское оборудование, термообработка продуктов питания.

Задать вопрос

Список заказных кодов

KM1E-HCRRRD--KM1E-HCRRRDS-KM1E-HCORRD--KM1E-HCORRDS-KM1E-LCRRRD--KM1E-LCRRRDS-KM1E-LCORRD--KM1E-LCORRDS-